首页
关于我们
公司简介
企业文化
发展历程
厂房设备
荣誉证书
营销网络
产品中心
快插式气动管接头
全铜快插式接头
不锈钢系列接头
铝合金快插式接头
小型气动管接头
阀类接头
其他系列接头
气管和工具类
应用领域
资料下载
新闻资讯
公司新闻
行业资讯
联系我们
语言
▼
简体中文
ENGLISH
产品中心
产品目录
快插式气动管接头
全铜快插式接头
黄铜锁母式管接头
全铜快插式气动管接头
不锈钢系列接头
全不锈钢系列接头
钢塑系列接头
不锈钢锁母式管接头
铝合金快插式接头
小型气动管接头
阀类接头
旋转接头
截止阀
单向阀
节流阀
手控阀
球阀
气控阀
其他系列接头
组合式管路接头
NK式管路接头
卡套式管路接头
真空发生器
真空过滤器
气管和工具类
气枪
管剪
消声器
快插
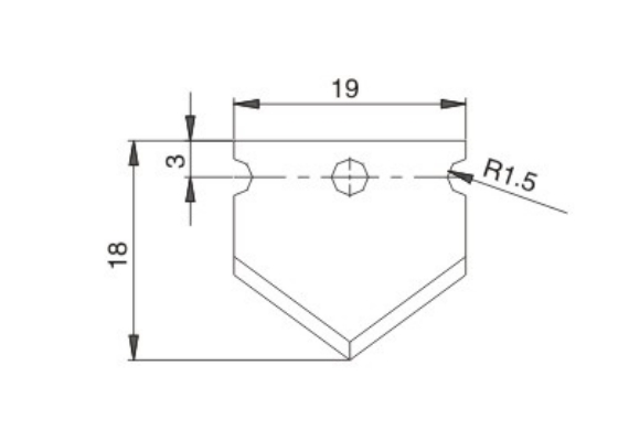
刀片I型 气管剪型刀片
上一个产品
下一个产品
产品描述
产品参数
安装与使用
订购码
相关产品
1.TC-I 气管剪I型
2.TC-II 气管剪II型
刀片II型 气管剪Ⅱ型刀片
ptce@ptce.net
+86-0574-23670015
0574-23670015
ptce@ptce.net