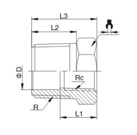
• 型号:JNW-R 变径内外螺纹接头
• 产品类型与结构:组合式管路接头
• 材料:黄铜、丁腈橡胶等
• 表面处理:酸洗、电镀等
• 螺纹规格Rc:R1/8、R1/4、R3/8、R1/2
• 螺纹规格R: R1/4、R3/8、R1/2、R3/4
* 本公司也生产Φ3、Φ5、Φ7、Φ9、Φ14、Φ15、Φ1/8等非常规产品
• 工作压力:0~1.0 Mpa
• 工作温度:-10~60 ℃
• 使用真空压力:-100 Kpa(10 Torr)
• 适用介质:经过过滤(≤40μm)、干燥和润滑的空气或中性气体;水(有条件)
• 典型应用:自动化生产线、包装机械、食品饮料加工设备、化工设备、气动工具等
电话:0574-23888882
邮箱:ptce@ptce.net



