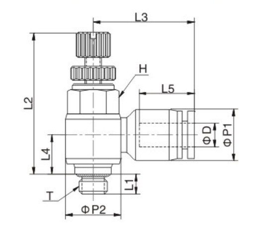
• 型号:SC MINITYPE 小型调速直角终端
• 产品类型与结构:小型快插式管接头
• 材料:塑料、黄铜、丁腈橡胶等
• 表面处理:酸洗、电镀等
• 螺纹规格:M3C、M5C、M6C
• 按钮规格:4
* 本公司也生产Φ3、Φ5、Φ7、Φ9、Φ14、Φ15、Φ1/8等非常规产品
• 工作压力:0~1.0 Mpa
• 工作温度:-10~60 ℃
• 使用真空压力:-100 Kpa(10 Torr)
• 适用介质:经过过滤(≤40μm)、干燥和润滑的空气或中性气体;水(有条件)
• 典型应用:自动化生产线、包装机械、食品饮料加工设备、化工设备、气动工具等
电话:0574-23888882
邮箱:ptce@ptce.net
气动用超小型快插式气动管接头。
体积为标准型管接头的40%,成功实现小型化。
拆卸管子用的释放环为椭圆形和园形两种,虽然是超小型,拆卸仍方便。
镀镍的铜体可以防腐蚀和污染。




